Arca industrialis ostium clausumest clavis tutelae componentis distributionis scrinium, scrinium communicationis, arcae imperium et alia instrumenta, quae directe ad salutem partium electrica internarum et operationis systematis stabilis refertur.
Nostra societas semper habet quinque rationes, quae in genere cincinnos communiter usitatas habent, ut cum variis exigentiis traditionis temporis ac specificationis diversorum inceptis occurrant.Long Bar Lock, Panel Lock, Virga Imperium Lock, Obfirmo manubrio,Lingua gyratorium Lock. Eodem tempore sustinemus quodvis crinem non-signum nativus secundum delineatas vel specimina, quae ad omnes species metallicae distributionis aptissima est.
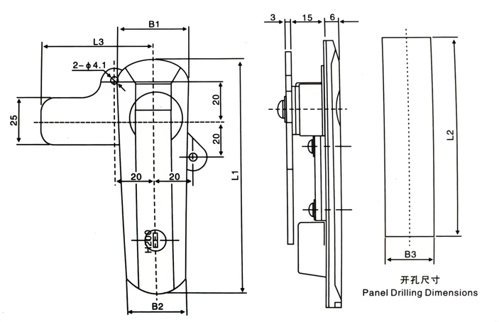
Sera plana est una ex communissimis generibus arcae cubiculi industrialis fores seris, tam pulchrae quam faciles ad conservationem. Societas nostra deduxit in AB301, AB302, AB303, AB402, AB403 series plane cincinno, in vi structurae, tutelae operatione et sentiendi differentiati consilii, occurrere potest variis specificationibus cistae distributionis, scrinium institutionis requisitorum.
| Dimensiones | Product Number | |||||||
| L1 | L2 | L3 | B1 | B2 | Grey Chrome plating | Cinereo imbre pingunt | Nigrum pulveris iactaret | Pondus (g) |
| 147 | 117 | 72 | 33 | 26.5 | AB301-1-1.2 | AB301-1-1.8 | AB301 | 370 |
| 120.5 | 95.5 | 65 | 30 | 23.5 | AB301-2-1.2 | AB301-2-1.8 | AB302 | 290 |
| 87.5 | 62.5 | 65 | 28.5 | 23.5 | AB301-3-1.2 | AB301-3-1.8 | AB303 | 215 |
Praecipua materia: spodium mixturae.
Curatio superficiei: chrome clara, matte, nigrum.
Munus et usus: ostium apertum et dextrum cognosce, facile utendum, obsignatione et IMPERVECTIONE functionis.
Praecipua materia: spodium mixturae.
Curatio superficiei: chrome clara, matte, nigrum.
Munus et usus: ostium apertum et dextrum cognosce, facile utendum, obsignatione et IMPERVECTIONE functionis.
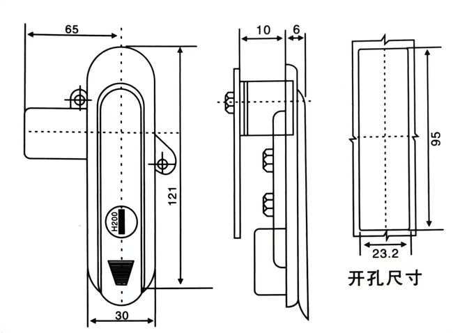
Materia: Stannum mixturae corpus, hastile rotatum, fulmen ferro galvanized, lamina pressio.
Superficies curatio: argentum griseo nano imbre.
Descriptio structurae: Rotate 90 gradus ad aperiendum vel claudendum.
| EXEMPLUM | L1 | L2 | L3 | B1 | B2 | B3 |
| NEW AB402-A | 123 | 95.5 | 65 | 36.5 | 30 | 23.5 |
| NEW AB403-A | 91 | 62.5 | 65 | 33 | 28.5 | 23.5 |
| NEW AB401-A | 151 | 117 | 72 | 36 | 30 | 26.5 |
